Запасные части ЧТЗ Запасные части ЧТЗ
Киров
Например:
Актобе
Алдан
или
Выбрать автоматически
Актобе
Алдан
Алматы
Алчевск
Архангельск
Астана
Астрахань
Атырау
Баку
Балашиха
Барнаул
Белгород
Бердянск
Бишкек
Владивосток
Владикавказ
Воркута
Воронеж
Горловка
Грозный
Донецк
Екатеринбург
Иваново
Ижевск
Иркутск
Казань
Калининград
Каменск-Уральский
Караганда
Каховка
Кемерово
Киров
Комсомольск-на-Амуре
Костанай
Краснодар
Красноярск
Красный луч
Ленск
Луганск
Магадан
Магнитогорск
Макеевка
Махачкала
Мелитополь
Минск
Мирный (Якутия)
Москва
Мурманск
Нерюнгри
Нижневартовск
Нижний Новгород
Нижний Тагил
Новая каховка
Новокузнецк
Новосибирск
Новый Уренгой
Норильск
Ноябрьск
Нур-Султан
Омск
Оренбург
Ош
Павлодар
Пермь
Петрозаводск
Петропавловск
Петропавловск-Камчатский
Псков
Ростов-на-Дону
Салехард
Самара
Санкт-Петербург
Саратов
Севастополь
Семей
Симферополь
Сочи
Ставрополь
Сургут
Сыктывкар
Тараз
Ташкент
Токмак
Томск
Тында
Тюмень
Ульяновск
Усинск
Усть-Каменогорск
Уфа
Хабаровск
Ханты-Мансийск
Херсон
Челябинск
Чита
Шымкент
Экибастуз
Энергодар
Южно-Сахалинск
Якутск
Ваш город
Киров
Войти
Запасные части к тракторам на одном сайте
+7 (932) 303-00-10
+7 (932) 303-00-10
г. Киров, ул. Щорса, д. 105
Пн-Пт: 9:30-18:30 Cб-Вс: Выходной
Отправить заявку


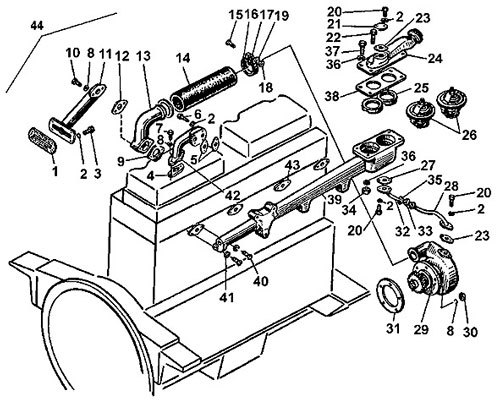
Система охлаждения дизеля на Т-170


/
с НДС 20%
Описание
Система охлаждения дизеля Т-170
Поз.НаименованиеАртикулКол-во в сборке
0БолтМ10Х20.58.0198
0ГайкаМ10Х6.0193
0Прокладка 401572
1Прокладка 409523
2 Шайба 8Т 65Г 09
3БолтМ8Х30.58.0194
4Прокладка462363
5Прокладка462374
6БолтМ8Х45.58.0194
7БолтМ10Х40.58.0192
8 Шайба 10 ОТ 65Г 09
9Прокладка 467922
9Прокладка467922
10БолтМ10-6gХ80.58.0192
11 Труба 51-08-26
12Прокладка 402851
13 Труба51-08-19
14Рукав 427011
15Болт700-28-21762
16Лента хомута700-41-33342
17Накладка37-26-712
18ГайкаМ8Х6.0192
19 Шайба стопорная 700-31-2269
20БолтМ8Х20.58.0192
21Заглушка02991
22БолтМ12Х1,25Х40.58.0193
23Прокладка 700-40-29692
24Крышка16-01-1391
24Крышка 51-08-131
25Кольцо прижимное51-08-282
26 Термостат ТС 108-130.6100
27Прокладка 407511
28 Труба 16-06-153СП
29Насос 16-08-140СП1
30Гайка 700-30-20995
31Прокладка 700-40-21941
32 Труба29-08-103СП
33Рукав 468341
34Гайка 30103
35 Хомут 700-41-2228СП
35Хомут 700-41-2235-10СП
36 Шайба12 ОТ 65Г 09
37Болт 700-28-21731
38Прокладка 409191
39 Труба водоотводная 51-08-27
40БолтМ10Х30.58.0198
41Кольцо 408398
42 Труба сливная 8598
43Прокладка 401554
44 Система охлаждения дизеля с пусковым двигателем51-08-1СП
44 Система охлаждения дизеля с электростартерной системой пуска51-08-3СП
Система охлаждения дизеля